| Parámetro | Valor |
| Referencia Principal | RSA125R-10PI |
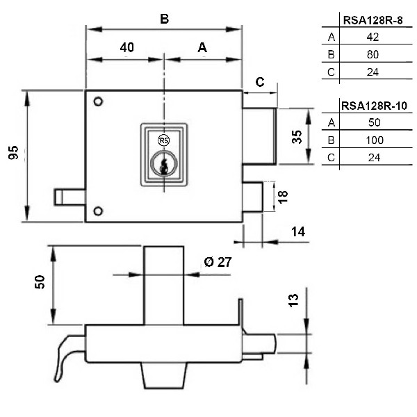
CARACTERÍSTICAS PRINCIPALES
– Cerradura con palanca y picaporte
– Palanca de dos vueltas accionable con llave por ambos lados
– Picaporte accionable con llave y tirador desde el interior y con llave exteriormente
– Cilindro por ambos lados
– Cilindro exterior redondo de 25 mm. de diámetro y 50 mm. de largo
– 3 llaves de serreta en dotación
– Mano Derecha o Izquierda
– 2 medidas de caja disponibles: 80 y 100 mm
– Acabado pintado
– Cerradero incluido
– Medidas compatibles con cerradura LI5125A
REFERENCIA ARTÍCULO SEGÚN MEDIDAS
RSA125R-8PD (Caja de 80 mm y mano Derecha)
RSA125R-8PI (Caja de 80 mm y mano Izquierda)
RSA125R-10PD (Caja de 100 mm y mano Derecha)
RSA125R-10PI (Caja de 100 mm y mano Izquierda)
| Nombre Fichero | Enlace |
| Información Producto | Archivo no disponible |
Si esta interesado en este producto pulse el botón de comprar y le reenviaremos a nuestra tienda
ComprarDeja tu Valoración:
Deja un comentario





















































































































































